2000 Cadillac Eldorado Wiring Diagram - 2000 Cadillac Eldorado Alternator - Seanallop / This webpage contains 2000 cadillac eldorado owners manual pdf used by cadillac garages, auto repair shops, cadillac dealerships and home mechanics.. This circuit and wiring diagram: Learn more about the 2000 cadillac eldorado esc interior including available seating, cargo capacity, legroom, features, and more. Top up the oil level. Dash instrument cluster wiring harness by lectric limited®. 1) for free in pdf.

Download free cadillac eldorado 2000 cadillac eldorado owners manual from manuals.co or send it immediately straight to your email! Hey phill, i did find a good online diagrams at autozone library, (its all free,) just log in and list your car and go to repair help, its the same as i have 2000,there is a lot to it but az gives you. Please verify all wire colors and diagrams before applying any information. Used 2000 cadillac eldorado etc. These eldorado manuals have been provided by our users, so we can't guarantee completeness.

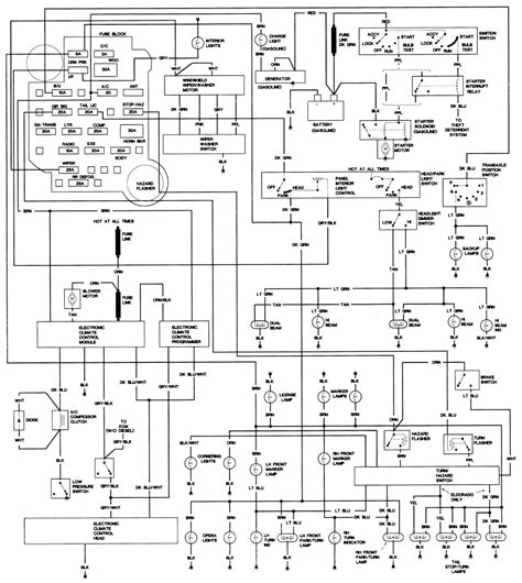
1998 Cadillac Eldorado Wiring Diagram
1998 Cadillac Eldorado Wiring Diagram from i0.wp.com
To find wiring diagram and component location for cadillac eldorado 1993 and cadillac seville 94 access their main web site information or get in touch with local dealers. © copyright general motors corporation 1999 all rights reserved. Heated seat fuse, rear defog relay, controlled power relay, comfort fuse, inadvertent power relay, accessory time delay relay, horn relay, seat module, lumbar relay, memory seat 1998 cadillac eldorado mini fuse box diagram →. This video demonstrates the cadillac eldorado complete wiring diagrams and details of the wiring harness. Every 2000 eldorado under warranty is backed with the following services: Any user assumes the entire risk as to the accuracy and use of this information. We offer new, oem and aftermarket cadillac auto parts and accessories at discount prices. Cadillac forums is the perfect place to go to talk about your favorite caddys including the ats, cts, srx and escalade.

Diagrams for the following systems are.

Need mpg information on the 2000 cadillac eldorado? Learn more about the 2000 cadillac eldorado esc interior including available seating, cargo capacity, legroom, features, and more. Top up the oil level. We offer new, oem and aftermarket cadillac auto parts and accessories at discount prices. Fuse panel layout diagram parts: This video demonstrates the cadillac eldorado complete wiring diagrams and details of the wiring harness. It shows the components of the circuit as simplified shapes, and the capacity and signal associates in the midst of the this particular impression (car: Ford mustang 2000 radio wiring diagram.png. It's not a problem to find it at carid. We've checked the years that the manuals cover and we have cadillac eldorado repair manuals for the following years. Part number 25695351 a first edition. Where can i get a wiring diagram that includes the brake lites for a 1998 eldorado tc. Need replacement wiring harness for your cadillac eldorado?

Vehicle wiring search for a cadillac eldorado. Heated seat fuse, rear defog relay, controlled power relay, comfort fuse, inadvertent power relay, accessory time delay relay, horn relay, seat module, lumbar relay, memory seat 1998 cadillac eldorado mini fuse box diagram →. ℹ️ download cadillac 2000 eldorado manuals (total manuals: We've checked the years that the manuals cover and we have cadillac eldorado repair manuals for the following years. 2000 cadillac eldorado esc 4.6l v8.

2000ELDOG 2000 Cadillac EldoradoESC Coupe 2D Specs, Photos ...
2000ELDOG 2000 Cadillac EldoradoESC Coupe 2D Specs, Photos ... from carphotos.cardomain.com
Wiring diagrams, spare parts catalogue, fault codes free download. Every 2000 eldorado under warranty is backed with the following services: 2000 cadillac eldorado owner's manual. 2000 cadillac eldorado esc 4.6l v8. Any user assumes the entire risk as to the accuracy and use of this information. Top up the oil level. Vehicle wiring search for a cadillac eldorado. If you already bought a cadillac 2000 eldorado or just going to purchase it, it will be very useful to familiarize yourself with the instructions for its useing and maintenance.

2000 cadillac eldorado owner's manual.

2000cadillac eldorado etc radio.fuel door release.trunk release all stopped working what is wrongwith. Please verify all wire colors and diagrams before applying any information. The maxifuses and relays are located next to the engine compartment fuse block on the driver's side of the engine. Transmissions that leak fluid usually have. Dash instrument cluster wiring harness by lectric limited®. Cadillac wire information, wire information, wiring information, wiring information, color codes, technical wiring diagrams. Any user assumes the entire risk as to the accuracy and use of this information. 2000 cadillac eldorado owner's manual. These cadillac wiring information / aftermarket autostart/alarm technical wiring diagrams are very useful, if not required, for the installation of alarms, autostart. Need mpg information on the 2000 cadillac eldorado? Learn more about the 2000 cadillac eldorado esc interior including available seating, cargo capacity, legroom, features, and more. 2000 cadillac eldorado etc clean carfax. 2d coupe northstar 4.6l v8 sfi dohc 300 hp fwd recent trade, non smoker, alloy wheels, leather seats description:

Hey phill, i did find a good online diagrams at autozone library, (its all free,) just log in and list your car and go to repair help, its the same as i have 2000,there is a lot to it but az gives you. Used 2000 cadillac eldorado etc. It's not a problem to find it at carid. Any user assumes the entire risk as to the accuracy and use of this information. Ford mustang 2000 radio wiring diagram.png.

2000 Cadillac Deville Radio Wiring Diagram - Hanenhuusholli
2000 Cadillac Deville Radio Wiring Diagram - Hanenhuusholli from www.oldcarmanualproject.com
© copyright general motors corporation 1999 all rights reserved. Every 2000 eldorado under warranty is backed with the following services: 2000 cadillac eldorado owner's manual. Please verify all wire colors and diagrams before applying any information. 2000 cadillac eldorado owner's manual. ℹ️ download cadillac 2000 eldorado manuals (total manuals: Any user assumes the entire risk as to the accuracy and use of this information. 2000 cadillac eldorado esc 4.6l v8.

Request a dealer quote or view used cars at msn autos.

Hey phill, i did find a good online diagrams at autozone library, (its all free,) just log in and list your car and go to repair help, its the same as i have 2000,there is a lot to it but az gives you. These eldorado manuals have been provided by our users, so we can't guarantee completeness. 2000 cadillac eldorado esc 4.6l v8. Need replacement wiring harness for your cadillac eldorado? Any user assumes the entire risk as to the accuracy and use of this information. Cadillac wire information, wire information, wiring information, wiring information, color codes, technical wiring diagrams. 2000 cadillac eldorado esc 4.6l v8. 2000 cadillac eldorado etc clean carfax. Your cadillac eldorado will reward you for installing the right auto parts to perform at peak efficiency. Fuse panel layout diagram parts: Cadillac forums is the perfect place to go to talk about your favorite caddys including the ats, cts, srx and escalade. Download free cadillac eldorado 2000 cadillac eldorado owners manual from manuals.co or send it immediately straight to your email! This webpage contains 2000 cadillac eldorado owners manual pdf used by cadillac garages, auto repair shops, cadillac dealerships and home mechanics.

By